| 
       Interfaccia per RTTY, 
PSK, SSTV …. 
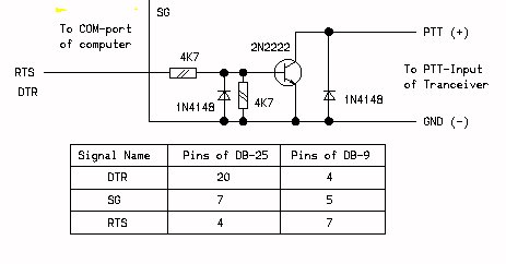
      IZ1DXS – Giorgio Fino La presenza dei PC sul tavolo del radioamatore consente l’utilizzo di modalità digitali quali RTTY, PSK, SSTV .. grazie a programmi molto evoluti e di facile uso. Esiste peròi la necessità di interfacciare il PC all’apparato al fine di trasferire i segnali dall’uno all’altro. L’uso delle schede audio consente il più semplice dei collegamenti fra PC e radio: un cavetto fra l’uscita audio dell’apparato e l’entrata della scheda audio del PC permette di ricevere sia PSK che SSTV, come pure la RTTY in AFSK. Nello stesso modo un collegamento fra l’uscita della scheda e l’entrata microfonica della radio, consente la trasmissione di tali segnali. Resta il problema del PTT che può essere sia a pedale che manuale schiacciando il tasto “transmit” del TRX o anche utilizzando il VOX. Bisogna ammettere che il metodo è valido ma un poco “barbaro”. Ecco quindi l’esigenza di una interfaccia almeno per il PTT, ma anche per l’uso della RTTY FSK utilizzando così al meglio gli apparati che consentono la ricetrasmissione di questo tipo di RTTY, nettamente da preferire al modo AFSK. Premesso che in RTTY si emettono due segnali non contemporanei spostati fra loro di 170 Hz., ricordo in breve la differenza fra i due metodi. In AFSK (si trasmette in LSB) viene variata la frequenza di modulazione; in FSK (si trasmette in modo RTTY) viene variata la frequenza del trasmettitore. Inoltre la frequenza indicata dall’apparato è quella esatta in FSK, mentre è spostata in alto di 2125 HZ per la AFSK Variano le modalità dell’input al TRX, mentre per la ricezione si usa comunque la connessione uscita audio della radio - entrata scheda audio del PC. Entrambi i metodi di emissione possono essere ricevuti dall’altro; il modo FSK usufruisce di filtri estremamente stretti (350 HZ) che evitano la ricezione di segnali adiacenti e consentono un tono più pulito e di conseguenza meglio decodificabile. Ma veniamo alle interfacce che propongo: tutte hanno necessità di una RS232 (COM 1, 2 ..ecc. da selezionare nel programma usato) o di un adattatore USB-RS232. Interfaccia PTT ( utile per
tutti i metodi indicati escluso RTTY FSK ) 
  
 Come si vede è estremamente semplice, si tratta di un interruttore transistorizzato: a seconda del livello del piedino RTS o DTR della RS 232 il comando PTT viene posto a massa tramite il transistor. Funziona benissimo, l’unico problema è che le masse dell’apparato e del PC si trovano ad essere connesse fra loro. Si può ovviare con il seguente schema  
 In questo caso il componente ottico compie le stesse funzioni
   del transistor, ma consente di tenere separate le masse. 
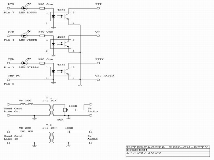
 Interfaccia con PTT che consente anche la trasmissione
   RTTY FSKA proposito di separazione fra PC e radio, anche il collegamento audio nei due sensi potrebbe essere isolato utilizzando due trasformatori 1:1, del tipo per modem telefonici.  
 Questa interfaccia opera di IK2MKM, è la più
   completa: consente l’utilizzo di tutte le funzioni digitali, compresa
la   trasmissione CW per quei programmi da contest che generano in automatico
 segnali CW. 
 I PIN riportati sono relativi a una RS232 a 9 contatti (DB9). Come si può notare si tratta dello stesso schema usato per il PTT ripetuto 3 volte (PTT,CW,RTTY): ovviamente chi non è interessato al CW può eliminare il relativo circuito. Chi desiderasse usare transistors al posto degli accoppiatori ottici, non deve fare altro che ripetere 2 o 3 volte il circuito del PTT a transistor collegandosi correttamente alla RS232. Infine un consiglio: è molto utile porre un interruttore in serie al cavetto audio PC-RTX in modo da evitare che disturbi provenienti dalla scheda del PC possano entrare nella radio mentre si modula in SSB  
  |